今天是:2025年12月04日
繁
适老模式
无障碍浏览
公众用户空间
搜索
首页
政府信息公开
工作动态
办事服务
业务管理
交流互动
专项工作
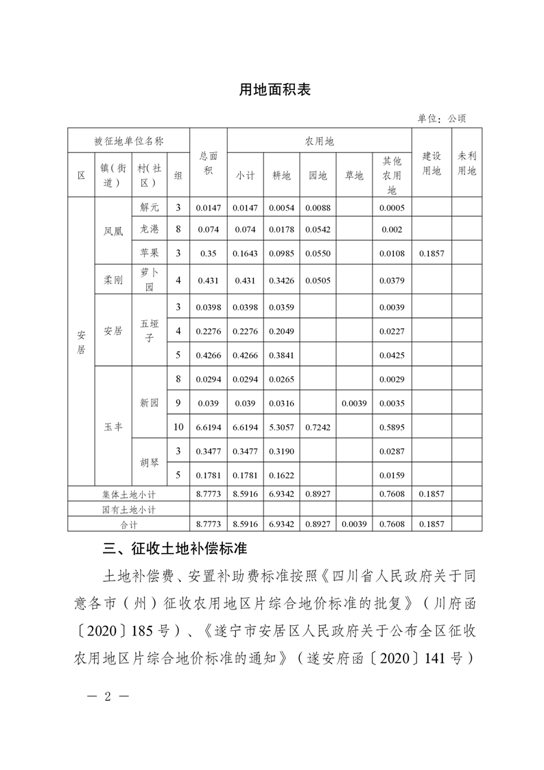
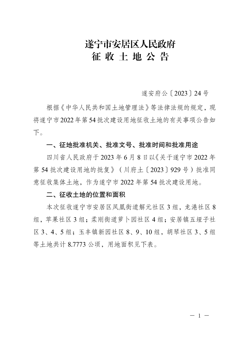
遂宁市安居区人民政府征收土地公告(遂安府公〔2023〕24号)
来源: 遂宁市自然资源和规划局
栏目:
发布时间: 2023-08-29 10:53
阅读:
字体: [
大
中
小
]
打印
分享: